امروزه میکروسکپهای الکترونی روبشی به طور گستردهای در دانشگاهها و مراکز تحقیقاتی در علوم مختلف مورد استفاده قرار میگیرد. اساس کار میکروسکپ الکترونی مبتنی بر روبش سطح نمونه توسط پرتوالکترونی میباشد و در اثر برهمکنش الکترون و ماده، اطلاعات مختلفی در خصوص مورفولوژی سطح، ریزساختار، اندازه و شکل ذره در اختیار ما میگذارد. همچنین با داشتن آنالیزور EDS میتوان ترکیب شیمیایی ماده به صورت عنصری را نیز تعیین کرد.
دستگاهها و امکانات آزمایشگاه
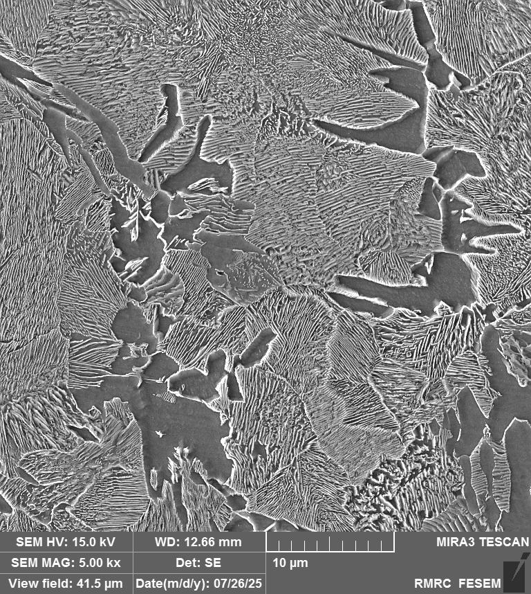
آزمایشگاه میکروسکپ الکترونی مرکز پژوهش متالورژی رازی، با داشتن دو دستگاه میکروسکپ الکترونی SEM-TESCAN-XMU، SEM-TESCAN-LMU و یک دستگاه میکروسکپ الکترونی گسیل میدانی FESEM-TESCAN-MIRA۳-XMU آماده ارائه خدمات به مشتریان گرامی میباشد. این خدمات در زمینههای مهندسی، پزشکی، زمینشناسی، علوم پایه، نانومواد و غیره، در کوتاهترین زمان ممکن و با بهترین کیفیت ارائه میگردد.
میکروسکپهای XMU با داشتن محفظه (chamber) بزرگ، امکان قرار دادن تعداد بیشتری نمونه به طور همزمان را فراهم میکنند و بررسی قطعات صنعتی نیز امکانپذیر است. خدمات میکروسکپ الکترونی به صورت حضوری با تعیین وقت قبلی و همچنین به صورت غیرحضوری انجام میشود.
مهمترین خدمات قابل ارائه:
• تهیه تصاویر و بررسی ساختار میکروسکوپی
• بررسی سطح شکست (فرکتوگرافی)
• شناسایی اولیه مواد مجهول
• اندازهگیری ابعاد ذرات و رسم هیستوگرام و توزیع اندازه ذره
• آنالیز ساختاری و شیمیایی فیلرهای جوشکاری و بریزینگ
• آنالیز صفحهای و خطی (Line scan, Map)
• تهیه تصاویر از نمونههای بایو
• تهیه تصاویر از نمونههای گیاهی و جانوری
• تهیه تصاویر در خلا پایین
• تهیه تصاویر SEM و FESEM در ولتاژهای مختلف SEM (۳-۳۰ kV)
• تعیین جنس پوشش و ضخامت پوششهای چندلایه
• تعیین مش توریهای فلزی و غیرفلزی
میکروسکپ الکترونی گسیل میدانی FESEM-MIRA۳-XMU
این میکروسکپ از جدیدترین و پیشرفتهترین میکروسکپهای موجود در ایران است و امکان استفاده از آخرین تکنولوژی را برای کاربران فراهم میآورد. دستگاه دارای آشکارسازهای تصویربرداری BSE، SE و LVSTD بوده و قابلیت تصویربرداری در بزرگنمایی بالا و حتی در ولتاژهای پایین با کیفیت مطلوب را دارد. آشکارساز LVSTD امکان تصویربرداری تحت خلا پایین را فراهم میکند و برای نمونههایی که در خلا بالا آسیب میبینند نظیر نمونههای بایو، مواد پلیمری و نمونههای متخلخل مناسب است. همچنین این دستگاه مجهز به میکروآنالیز EDS نسل دوم است که امکان شناسایی کوچکترین فازها را میسر میسازد.