Electron Microscope Laboratory (SEM, FESEM)

Special Notice for Students
25% Student Discount
For SEM Research Test
Valid student ID required to use the discount.

Nowadays, Scanning Electron Microscopes are widely used in universities and research centers across various sciences. The working principle is based on scanning the sample surface with an electron beam, which provides information on surface morphology, microstructure, particle size and shape. Additionally, with an EDS analyzer, elemental composition of materials can also be determined.

Equipment and Laboratory Facilities
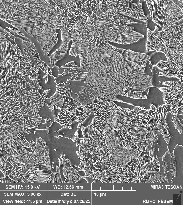
The Razi Metallurgy Research Center’s electron microscopy lab, with two SEM devices (SEM-TESCAN-XMU, SEM-TESCAN-LMU) and one FESEM device (FESEM-TESCAN-MIRA3-XMU), is ready to provide services to esteemed clients. These services cover engineering, medical, geological, basic sciences, nanomaterials, etc., in the shortest time and best quality.
The XMU SEMs with a large chamber allow multiple samples simultaneously and make industrial parts inspection possible. Electron microscopy services are available in-person with appointment or remotely.

Main Services Offered:

• Determine sample chemical composition and point/bulk elemental analysis (EDS)
• Capture images and examine microstructure
• Fractography analysis
• Initial identification of unknown materials
• Particle size measurement and histogram/distribution plotting
• Structural and chemical analysis of welding and brazing fillers
• Line scan and mapping analysis
• Imaging of bio samples
• Imaging of plant and animal samples
• Low vacuum imaging
• SEM and FESEM imaging at various voltages (3-30 kV)
• Determine coating material and thickness of multilayer coatings
• Determine mesh size of metal and non-metal meshes

FESEM-MIRA3-XMU
This electron microscope is one of the latest and most advanced in Iran, providing users with access to the latest technology. It has BSE, SE, and LVSTD imaging detectors, enabling high magnification imaging even at low voltages with optimal quality. The LVSTD detector allows low vacuum imaging suitable for sensitive samples such as bio-materials, polymers, and porous materials. The device is also equipped with second-generation EDS microanalysis enabling identification of very small phases.

For microscope-related news visit Scientific News and to download the acceptance form visit Acceptance Form.